Back to the ALFA Homepage!
Using your car's Vehicle Speed Sensor
With many new cars coming from the factory with built in sending units (usually called the "VSS", or "Vehicle Speed Sensor") we are now supplying this example of how to share that sensor with your ALFA Rally Computer or Odometer. Please note that your vehicle does not need to have a "digital" dashboard to have an electronic speedometer/odometer which is compatible with the ALFA.
Your ALFA is compatible with electronic VSS systems with digital outputs. These include "Hall Effect" and "Reed Switch" types. Your ALFA is NOT compatible with AC output VSS systems, such as "Inductive" types, which do not operate at low speeds. Digital VSS systems switch their output to the ground several times for each revolution of the wheels. This "pulse" is detected by your ALFA and used to compute speed and distance.
You may attach the input of your ALFA to the signal wire from the VSS at any point - under the hood, at the speedometer, at the engine control computer, cruise control computer or dashboard connection - where ever it is most convenient. Note that your power and ground wires should be wired directly to your vehicle power source, as described in the ALFA owner's manual. Do not run a separate ground to the VSS as this could create a "ground loop" situation which can cause your ALFA to misread the odometer pulses. The wire from the VSS to the ALFA should be as short as possible, and should avoid passing nearby ignition wires or other noise sources.
Some inductive pickups, such as those in GM trucks, use a "Buffer" which connects the VSS to the Engine Control Module. In some cases the output of this Buffer is compatible with the ALFA. You will have to experiment to see if this VSS/Buffer combination will provide adequate performance. (See illustration)
If you own an older ALFA computer or odometer (specific models vary, but generally those built prior to 1996) , you will need to install a diode in series with the wire from the VSS in order to prevent unwanted interaction between your ALFA and the vehicles internal systems. This diode is available from Radio Shack (part# 276-1101) and is very inexpensive. The striped end of the diode should be attached to the VSS side of the circuit.
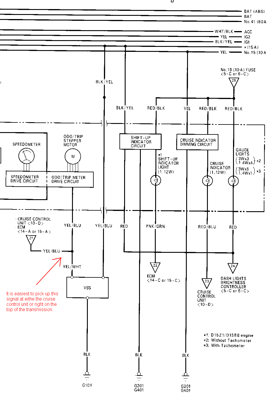
What follows are several wiring diagrams of compatible vehicles marked with the correct location to tap the VSS for use with your ALFA. Your vehicle will have a similar diagram, and you should refer to it carefully before making any connections. These diagrams are large (for clarity) - please be patient while they load.
This diagram is for a 2001 Subaru WRX:
Here is a Honda Civic example:
Using the "Buffer" in a GM (or similar) vehicle:
General ALFA wiring:
ALFA Rally products are built in the USA by the rallyists at:
Small Systems Specialists
201 N. Lobb Ave.
Pen Argyl, PA 18072
Phone 609-301-0541, Fax No Longer Available!
Email to: ALFA@Rally.cc

Back to the ALFA Homepage!